“
随着工业洗衣机行业对节能减排的重视以及对设备生产成本的控制,相继开发出以变频调速为主流的新一代全自动洗衣机。中驱电气自主研发的ZQ200系列高性能矢量变频器以高稳定性、高可靠性、及优异的响应时间,在洗衣机领域获得一致好评。
全自动工业洗衣机的组成及工作原理
全自动工业洗衣机是指具有初洗、洗涤、漂洗、漂白和脱水功能并且各功能之间不需要人工操作就能实现自动转换的大容量洗衣机。洗衣机按减震与避震的不同方式可分为悬浮避震式和注水平衡避震式以及重力固定式三种。目前市场上主流产品都是悬浮式避震洗衣机,其主要由外壳机架、主轴内滚筒、传动系统、避震系统、前门部件、加料部件、制动部件、放水阀门部件、控制部件等九个部分组成。
全自动工业洗衣机工作原理是在时序控制器(CPU)统一调度管理下通过变频器控制异步电机不间断执行正反转以实现水和衣物不同步运行,从而使水和衣物间相互摩擦揉搓达到洗净的目的,其主要有以下洗涤程序:

200系列变频器作为洗衣机传动驱动的优势
传动系统是工业洗衣机极其重要的组成部分,因主要为洗衣机提供动力支持而参与全部洗涤过程。传动系统由电机和变频器组成,其整个洗涤阶段随着变频器的频率自动调节而实现无冲击无中间过渡(变速箱、变速装置或联轴器、离合器)装置的恒转矩变速,使洗涤能耗得到明显下降。
中驱电气ZQ200系列高性能矢量变频器以其无与伦比的性能和绝对出色的性价比满足了工业洗衣机高起动转矩、多段速、宽电压范围的要求;自动转差补偿和快捷强大的通讯方式等技术难点,并且性能稳定能适应各种复杂的高温高湿的环境,采用先进的矢量控制技术使洗衣机起动平稳,能广泛满足各类客户需求。


注:本图以我司为江苏一大型工业洗衣机厂商配套现场
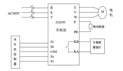
变频器选型和接线图及参数说明
ZQ200系列产品功率范围从4KW-500KW,通常洗衣量25KG左右的洗衣机选择ZQ200系列 4KW(适配电机约2.2KW);洗衣量50KG左右的选择ZQ200系列 5.5KW或7.5KW(适配电机约4至5.5KW);洗衣量100KG左右选择ZQ200系列11KW以上(适配电机7.5KW以上)。

上图中X1/COM和X6/COM分别为变频器启动停止兼正反转切换端子,当X1与COM闭合时变频器正转运行,X6与COM闭合时变频器反转运行(对应正反洗涤过程)。X1、X4、X5、X6端子为数字信号端口,公共端为COM,即与COM闭合导通有效。其中X4、X5及组合方式(X4+X5)为变频器设置的三个多段速分别对应洗衣机的均布;中脱;高脱三个洗涤过程。R、S、T为电源输入,U、V、W接电机,KA、KB为继电器输出通常接故障报警,P、Pr接制动电阻(根据变频器功率选择配件)。
全自动洗衣机变频器主要参数如下
1. 建议对电机自学习操作;因大多情况下洗衣机电机都是变频电机,要想获得完美的马达控制性能及完善的保护,具体参数如下

2. 基本控制参数(如下表内),X4、X5默认值为多段速一和多段速二

变频器在洗涤过程中常出现故障以及处理对策

注意事项:因全自动洗衣机特殊的工艺程序要求在变频器选型时一般要求变频器的功率比电机大一至二档。